| Sign In | Join Free | My gimpguru.org |
|
Brand Name : VICKERS
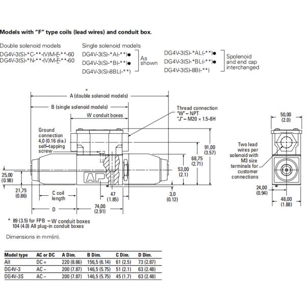
Model Number : DG4V-3-2N-M-U-H7-60
Place Of Origin : CHINA
Certification : CE
MOQ : 1
Price : Negotiation
Packaging Details : Carton /As The Clients Require
Delivery Time : 1-7Work Days After Payment
Payment Terms : T/T,Western Union,Paypal
Supply Ability : 5000 Pieces/1Month
Coil Rating : 24 VDC
Working Temperature : 0 ÷ 60°C (with Dry Air At -20°C)
Design Series : 60 Series
Actuation Type : Solenoid Operated
The core design goal of the DG4V series solenoid valve is to efficiently and reliably control the direction of hydraulic oil flow, thereby driving the action of actuating components such as oil cylinders and hydraulic motors. Its main technical features and attributes include:
The DG4V series solenoid valve is widely utilized in various industries that demand high-performance hydraulic control owing to its dependable performance.
Industrial Machinery: This solenoid valve is extensively employed in industrial machinery such as CNC machine tools, injection molding machines, die-casting machines, and presses to regulate the movement direction of oil cylinders or hydraulic motors, enabling precise process flow control.
Construction Machinery and Mobile Equipment: In the hydraulic systems of construction equipment like excavators and loaders, the DG4V valve is used to manage the switching of actions for actuators like booms and buckets, facilitating the accomplishment of intricate composite actions.
Mining and Heavy Equipment: Specifically designed to withstand severe working conditions prevalent in mining machinery, including crushers and conveyors, this solenoid valve exhibits robustness and resilience against factors such as dust, vibration, and heavy loads.
Ship and Port Machinery: The corrosion-resistant design of the DG4V valve makes it suitable for hydraulic control systems used in ship deck machinery like winches and cranes, as well as port lifting equipment, enabling operation in high humidity and high salinity environments encountered at sea.
Other Important Fields: Furthermore, apart from the aforementioned applications, this solenoid valve finds utility in metallurgical equipment, the wind power industry, aerospace, and other sectors where stringent requirements for hydraulic systems are prevalent.






The Solenoid Valve product comes with comprehensive Product Technical Support and Services to ensure smooth operation and maintenance. Our team of experts is available to provide assistance with any technical queries or issues that may arise. Additionally, we offer a range of services such as installation guidance, troubleshooting support, and maintenance tips to optimize the performance and longevity of the product.
Product Packaging:
The Solenoid Valve will be securely packaged in a durable cardboard box to ensure safe delivery. The valve will be wrapped in protective packaging material to prevent any damage during transit.
Shipping:
We offer fast and reliable shipping for the Solenoid Valve. Orders will be processed and shipped within 1-2 business days. Customers can choose their preferred shipping method during checkout, with options for standard or expedited delivery.
|
|
VICKERS DG4V-3-2N-M-U-H7-60 Electromagnetic Valve EATON Images |